Ball Transfers

A ball transfer is a spherical load supporting unit that utilizes ball bearings to allow objects to be rotated or moved in any direction with minimal effort.
They are common components in a wide range of machines and devices. The main industries that utilize roller ball transfer bearings include automotive, aerospace, industrial machinery, precision instruments, and consumer products.
Types of Ball Transfers
Multiple types of ball transfer products are available for use in a range of applications. Most are made from steel, polyurethane, polyethylene, nylon, or Teflon.
Here are some of the common types and the advantages they provide:
- The 1” nylon type is often used in light-duty conveyor systems in packaging and bottling plants. The lightweight nylon material allows them to be incorporated into gravity conveyors to quietly move lightweight packages and bottles between processes.
- The low profile 1-1/2” steel ball is ideal for material handling applications such as assembly line pallet jacks in automotive plants. The compact size fits within the tight spaces between loaded pallets while providing the durability to move heavy payloads.
- Carbon steel balls like the 1-1/2” size are commonly used in mining equipment bearings that must withstand abrasive mineral dust and heavy loads. The high strength of carbon steel balls makes them suitable for the demanding operation of crushers, pulverizers, and excavators.
- Stainless steel balls like the 1-3/16” size are often used in food processing machinery bearings that require frequent washdowns. The corrosion resistance protects them in challenging environments containing water, sanitizers, and acids found in meat, dairy, and beverage processing.
- The 1” stainless steel variety is well-suited for gate hinges in wastewater treatment plants. The swiveling action and corrosion resistance allow the gates to operate smoothly while exposed to water, chemicals, and debris.
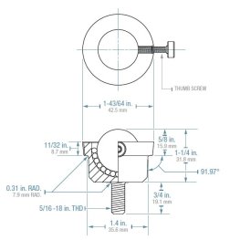
- Flange mount ball transfers consist of a ball captured in a housing that allows omnidirectional rotation, providing flexibility in applications where misalignment between shafts needs to be accommodated. They are commonly used in industrial robotics, conveyors (such as cargo and baggage handling), and assembly lines.
Functions of ball transfer units
A typical ball deck features hundreds of stainless steel balls embedded into the deck in a grid pattern. When a pallet or other heavy load is placed on the ball deck, its weight is supported and spread evenly. A worker can then easily push the pallet by hand to slide it across the ball deck surface. Despite the heavy weight, the balls allow the pallet to roll smoothly in any direction with only a light push.
Ball decks are popular for material handling of pallets and heavy items in warehouses, distribution centers, and manufacturing facilities.
Applications of ball transfer bearings
Along with the many types of these bearings, there are multiple situations where they are used. They excel in these applications:
- Conveyors: On bottling line conveyors, these bearings allow bottles to move smoothly through filling and capping stations.
- Workstations: Built into an electronics assembly workbench, they let workers easily rotate and position circuit boards.
- Positioning systems: Positioning systems like CNC machine tables, coordinate measuring machines, optical inspection stations, pick-and-place machines, and motion control stages rely on these bearings for smooth, precise positioning.
- Amusement park rides: They are used on the chassis of bumper car carriages to allow free omnidirectional movement around the ride floor.
- Laboratory equipment: Use of these bearings in a microscope stage enables smooth, precise sample positioning under the lens.
- Furniture: Here, they are used as omnidirectional casters, allowing furniture to be moved easily in any direction.
Frequently Asked Questions on Ball Transfers
- Can ball transfers be used as wheels? They can be used as wheels, though they have lower load capacities than traditional wheels.
- What is the load capacity of a ball transfer unit? It will vary, typically from 50 to 500 pounds, depending on what materials the balls are made of.
- What are transfer bearings used for? They are used to easily move loads in any direction with minimal friction.
How does a ball bearing work? A ball bearing uses small metal balls between the inner and outer races to reduce friction and enable smooth rotational motion.
- How often do ball bearings need to be replaced?Ball bearings typically need replacement every two to five years with regular use or when they start making noise or allow too much play.
Easily Order Roller Ball Transfer Bearings
With their low friction and high load capacities, it is clear that these ingenious bearings provide an essential advantage in handling heavy loads. If you are looking for the right ball transfer bearings for your project, turn to our team at Apollo Caster.
Apollo Caster is your go-to resource for any ball transfer casters you need. Please call us (1.888.344.3036) if you would like assistance. You can view each product individually on our site, add it to your cart, and order, or if you know what you want, you can use our Quick Order form.
Ball Transfer; 1"; Stainless Steel Ball and Housing; Flange (2"x2-3/4"; 2-hole spacing: 2-3/16"; 3/16" bolt); 75#; 1-3/16" load height (Item #89352)
Ball Transfer; 1-1/2"; Stainless Steel ball and housing; Flange: 3"x3"; 4-hole spacing: 2-7/16"x2-7/16"; 1/4" bolt; 250#; 1-13/16" load height (Item #89448)
Ball Transfer; 1" Ball; Nylon; Threaded Stud; 1/4"-20TPI x 11/16"; Stainless steel w/ zinc-plated cup and stud; 35#; 1-3/8 load height (Item #89450)
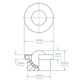
Ball Transfer; 1-3/16"; Stainless Steel ball matl; Threaded Stem (3/8"-16TPI x 1"); Carbon Steel housing; 750#; 17/32" load height; Hi temp (400 deg) (Item #87653)
Ball Transfer; 5/8" carbon steel ball; Round drop-in Base; 15/16" diam base x 7/16" deep; Carbon Steel housing; 35#; 3/8" load height (Item #89244)
Ball Transfer; 1" Stainless Steel ball; Round drop-in Base; 1-3/8" diam x 5/8" deep; Carbon Steel housing; 200#; 5/8" load height (Item #89245)
Ball Transfer; 1" carbon steel ball and Housing; Flange (2"x2-3/4"; 2-hole spacing: 2-3/16"; 3/16" bolt); 75#; 1-3/16" height (Item #89362)
Ball Transfer; 1-3/16"; Stainless Steel balls; Round Base (1-3/4" x15/16"); Carbon Steel Housing; 500#; Plastic Ret Ring; 0.525" load height (Item #88332)
Ball Transfer; 1-1/4" Stainless Steel Ball; Round (74mm diameter: 3 holes: 2-5/16" apart); Stainless Housing; 275#; Weep Hole(s) (Item #87257)
Ball Transfer; 1-1/2" Ball; Nylon; Flange: 3"x3"; 4-hole spacing: 2-7/16"x2-7/16"; 1/4" bolt; Stainless Steel; 125#; 1-13/16" load height (Item #89451)
Ball Transfer; 1-3/16"; Nylon Ball; Machined steel Drop-in Base (1-3/4" x 15/16"); Carbon Steel; 770#; 9/16" Load Height; Weep Hole(s) (Item #88174)
Ball Transfer; Low Profile; 5/8" Nylon ball; Flange (1-11/16" diameter; two 1/8" holes: 1-1/4" apart); Carbon Steel flange; 40#; 3/8" profile (Item #88814)
Ball Transfer; 1" Stainless Steel ball; Threaded Stud; 1/4"-20TPI x 11/16"; Zinc-plated steel cup and stud; 75#; 1-3/8" load height (Item #89343)
Ball Transfer; 1-3/16"; Stainless Steel balls; Round Drop-in Base (1-3/4" x15/16"); Stainless Steel Housing; 500#; Plastic Retainer Ring; 0.525" load height. (Item #88343)
Ball Transfer; 1" Nylon ball; Round Machined base with Threaded Stud; 5/16"-18TPI x 3/4"; Black steel housing; 1-11/16" O.D.; 200#; 5/8" load height; Lockable (Item #88251)
Have questions about our products? Wondering what caster would best suit your needs? Just saying hi? Drop us a line here!




























